NNF 5009 ADB-2LSV
NNF 5009 ADB-2LSV
Author :ruidexin | Publish Date:2019-05-20

| Parameters instructions | |||
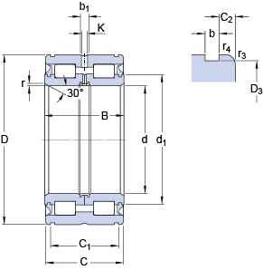
| Bearing type | NNF 5009 ADB-2LSV | ||
| inner diameter | 45 | mm | |
| Outer diameter | 75 | mm | |
| Width or thickness | 40 | mm | |
| Type | Double row full complement cylindrical roller bearing | ||
| Dynamic load | 102 | ||
| Static load | 146 | ||
| Fatigue loading | 17 | ||
| Reference speed | |||
| Limit speed | 1800 | ||
Next:Next:NNC 4980 CV

