315523
315523
Author :ruidexin | Publish Date:2019-05-20

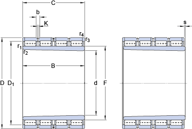
| Parameters instructions | |||
| Bearing type | 315523 | ||
| inner diameter | 485 | mm | |
| Outer diameter | 740 | mm | |
| Width or thickness | mm | ||
| Type | Four row cylindrical roller bearing | ||
| Dynamic load | 11000 | ||
| Static load | 28500 | ||
| Fatigue loading | 2160 | ||
| Reference speed | |||
| Limit speed | |||
Next:Next:315826 B

