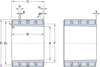
319352
319352
Author :ruidexin | Publish Date:2019-05-20

| Parameters instructions | |||
| Bearing type | 319352 | ||
| inner diameter | 382.5 | mm | |
| Outer diameter | 590 | mm | |
| Width or thickness | mm | ||
| Type | Four row cylindrical roller bearing | ||
| Dynamic load | 6930 | ||
| Static load | 16300 | ||
| Fatigue loading | 1430 | ||
| Reference speed | |||
| Limit speed | |||
Next:Next:313008 A

