NU 2222 ECNML
NU 2222 ECNML
Author :ruidexin | Publish Date:2019-05-20

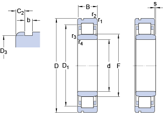
| Parameters instructions | |||
| Bearing type | NU 2222 ECNML | ||
| inner diameter | 110 | mm | |
| Outer diameter | 200 | mm | |
| Width or thickness | 53 | mm | |
| Type | Single row cylindrical roller bearing | ||
| Dynamic load | 440 | ||
| Static load | 520 | ||
| Fatigue loading | 61 | ||
| Reference speed | 3600 | ||
| Limit speed | 6000 | ||
Next:Next:NUP 312 ECM

