NUP 314 ECNP
NUP 314 ECNP
Author :ruidexin | Publish Date:2019-05-20

| Parameters instructions | |||
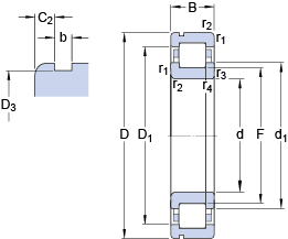
| Bearing type | NUP 314 ECNP | ||
| inner diameter | 70 | mm | |
| Outer diameter | 150 | mm | |
| Width or thickness | 35 | mm | |
| Type | Single row cylindrical roller bearing | ||
| Dynamic load | 236 | ||
| Static load | 228 | ||
| Fatigue loading | 29 | ||
| Reference speed | 4800 | ||
| Limit speed | 5600 | ||
Next:Next:NJ 2224 ECM

