NU 2268 N2MA
NU 2268 N2MA
Author :ruidexin | Publish Date:2019-05-20

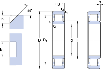
| Parameters instructions | |||
| Bearing type | NU 2268 N2MA | ||
| inner diameter | 340 | mm | |
| Outer diameter | 620 | mm | |
| Width or thickness | 165 | mm | |
| Type | Single row cylindrical roller bearing | ||
| Dynamic load | 2640 | ||
| Static load | 4500 | ||
| Fatigue loading | 365 | ||
| Reference speed | 1000 | ||
| Limit speed | 1200 | ||
Next:Next:NUP 2208 ECP

