NUB 215 ECJ
NUB 215 ECJ
Author :ruidexin | Publish Date:2019-05-20

| Parameters instructions | |||
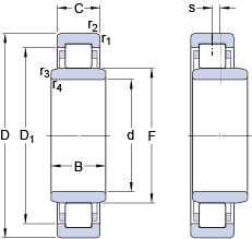
| Bearing type | NUB 215 ECJ | ||
| inner diameter | 75 | mm | |
| Outer diameter | 130 | mm | |
| Width or thickness | 31 | mm | |
| Type | Single row cylindrical roller bearing | ||
| Dynamic load | 150 | ||
| Static load | 156 | ||
| Fatigue loading | 20.4 | ||
| Reference speed | 5600 | ||
| Limit speed | 6000 | ||
Next:Next:NU 1980 ECMA

