NU 320 ECN1ML
NU 320 ECN1ML
Author :ruidexin | Publish Date:2019-05-20

| Parameters instructions | |||
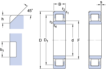
| Bearing type | NU 320 ECN1ML | ||
| inner diameter | 100 | mm | |
| Outer diameter | 215 | mm | |
| Width or thickness | 47 | mm | |
| Type | Single row cylindrical roller bearing | ||
| Dynamic load | 450 | ||
| Static load | 440 | ||
| Fatigue loading | 51 | ||
| Reference speed | 3200 | ||
| Limit speed | 6000 | ||
Next:Next:NF 19/850 ECMB

