BD-1320 K-H 320
BD-1320 K-H 320
Author :ruidexin | Publish Date:2019-05-20

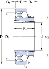
| Parameters instructions | |||
| Bearing type | BD-1320 K-H 320 | ||
| inner diameter | mm | ||
| Outer diameter | 90 | mm | |
| Width or thickness | 47 | mm | |
| Type | Self-aligning ball bearing | ||
| Dynamic load | 143 | ||
| Static load | 57 | ||
| Fatigue loading | 2.36 | ||
| Reference speed | 6000 | ||
| Limit speed | 4000 | ||
Next:Next:2310 E-2RS1KTN9

