22348 CC/W33
22348 CC/W33
Author :ruidexin | Publish Date:2019-11-21
| Parameters instructions | |||
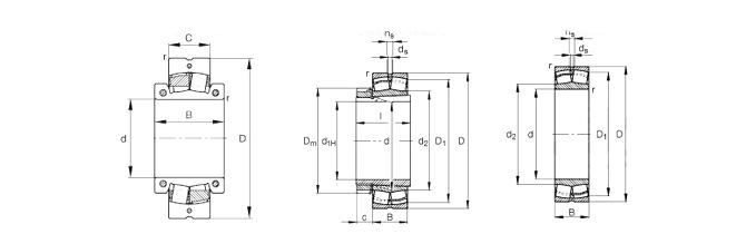
| Bearing type | 22348 CC/W33 | ||
| inner diameter | 240 | mm | |
| Outer diameter | 500 | mm | |
| Width or thickness | 155 | mm | |
| Type | Spherical roller bearing | ||
| Dynamic load | 3229 | ||
| Static load | 4000 | ||
| Fatigue loading | 290 | ||
| Reference speed | 950 | ||
| Limit speed | 1300 | ||
Next:Next:24048 CCK30/W33

